巴音郭楞蒙古自治州人民政府
农业农村局
政府信息公开
政府信息公开指南
法定主动公开内容
政府信息公开年报
首页
/
政务公开
/
农业农村局
/
法定主动公开内容
a337900baec747eebc5d1c571a53b5a6
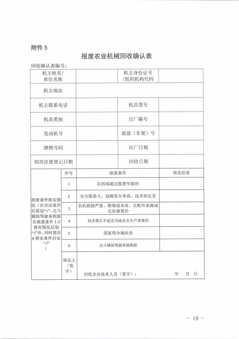
关于印发《自治区关于加大工作力度持续实施好农业机械报废更新补贴政策实施方案》的通知
关于印发《自治区关于加大工作力度持续实施好农业机械报废更新补贴政策实施方案》的通知
2025-10-23 17:07
王祥功
巴州农业农村局
关于印发《自治区关于加大工作力度持续实施好农业机械报废更新补贴政策实施方案》的通知(1).pdf
索引号:bznyncj00/2025-00023
发文字号:
公文种类:
有效性:
发文机关:
成文日期:
发布日期:2025-10-23
发布时间:
【字体:
大
中
小
】
附件下载:
相关链接:
法定主动公开内容
各部门 / 政务公开 / 农业农村局 / 法定主动公开内容